Кольца стопорные DIN 472 внутренние
* указаны ознакомительные цены. окончательные цены определяются после общения с менеджером продаж
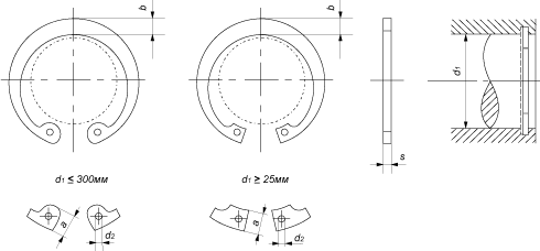
Стопорные кольца DIN 472 из нержавеющей или пружинной стали отличаются круглой формой с небольшим зазором. Два монтажных отверстия находятся на усиленных концах у прерывания кольца. Основное назначение таких стопорных колец - "осевая" фиксация отверстий. Они могут использоваться, например, для поддержки положения болта, чтобы он не соскальзывал в определенном направлении внутри полости.
Внутренние стопорные кольца DIN 472 обычно фиксируются простым способом с помощью специальных клещей. Они вставляются в монтажные отверстия и затем сжимают кольцо, уменьшая при этом его диаметр. После установки щипцы снимаются, и кольцо расширяется до нужного положения. В таком положении стопорное кольцо равномерно соприкасается с канавкой, что обеспечивает стабильную фиксацию.
Аналоги DIN 472
| Стандарт | Отличия |
|---|---|
| ГОСТ 13943-86 | Практически полностью совпадают. Существуют незначительные различия в отдельных параметрах. |
Схема стандарта DIN 472

Таблица размеров стопорных колец DIN 472
| Параметры кольца | Номинальный диаметр, d1 | |||||||||||||||
| 8-9 | 10-11 | 12-13 | 14-17 | 18-22 | 24-30 | 31-32 | 34-38 | 40-48 | 50-63 | 65-82 | 85-100 | 102-120 | 125-200 | 210-250 | 260-300 | |
| Максимальная ширина дуги, b | 1,3 | 1,5 | 1,8 | 2,1 | 2,5 | 3 | 3,2 | 3,7 | 4,5 | 5,6 | 7 | 8,4 | 9,7 | 14 | 14 | 16 |
| Высота кольца, s | 0,8 | 1 | 1 | 1 | 1 | 1,2 | 1,2 | 1,5 | 1,75 | 2 | 2,5 | 3 | 4 | 4 | 5 | 5 |
| Ширина кольца, a | 2,5 | 3,3 | 3,6 | 3,9 | 4,2 | 4,8 | 5,4 | 5,5 | 6,4 | 7,3 | 8,5 | 9,2 | 11 | 14,2 | 14,2 | 16,2 |
| диаметр , d2 | 1 | 1,2 | 1,5 | 1,7 | 2 | 2 | 2,5 | 2,5 | 2,5 | 2,5 | 3 | 3,5 | 3,5 | 4 | 4 | 5 |
Все параметры в таблице указаны в мм.
Дополнительную информацию о технических характеристиках стопорного кольца DIN 472 можно получить у менеджеров компании.
Где купить стопорные кольца DIN 472 в Санкт-Петербурге?
Все позиции, представленные в разделе «Стопорные кольца DIN 472», можно заказать с доставкой на официальном сайте СТРОЙМЕТИЗ. После совершения онлайн-платежа мы быстро привезем Ваш заказ по нужному адресу.
Купить внутренние стопорные кольца DIN 472 у нас могут частные лица и организации, оптом или в розницу. Мы работаем напрямую с отечественными производителями или официальными представителями зарубежных брендов. У нас широкий ассортимент и выгодные цены. Предлагаем удобные способы оплаты и доставку.
