Кольца стопорные DIN 471 наружные
* указаны ознакомительные цены. окончательные цены определяются после общения с менеджером продаж
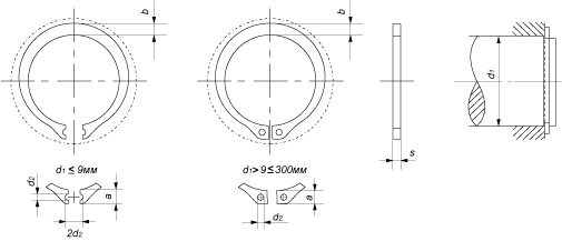
Стопорные кольца DIN 471 используются для фиксации осевого положения деталей, например, подшипников качения, на валу или оси. Также используются для фиксации положения болтов в отверстиях. Кольцо по DIN 471 выбивается в виде плоского кольца и затем шлифуется. Два отверстия позволяют производить монтаж или демонтаж с помощью стопорных клещей.
Стопорные кольца по DIN 471 всегда используются, когда детали должны быть закреплены на валу в осевом направлении. В этом случае часть стопорного кольца выступает из паза, в который оно вставлено, образуя таким образом аксиально нагружаемое плечо. Поскольку стопорные кольца подвергаются изгибающему напряжению и в результате нагрузки возникает эффект зазубрин, стопорные кольца обычно изготавливаются из пружинной стали. Для особых требований в агрессивных средах в качестве альтернативы предлагаются стопорные кольца из нержавеющей стали. Стопорные кольца следует использовать только на негнущихся концах валов, осей или болтов из-за эффекта насечки.
Аналоги DIN 471
| Стандарт | Отличия |
|---|---|
| ГОСТ 13942-86 | Практически полностью совпадают. Существуют незначительные различия в отдельных параметрах. |
Схема стандарта DIN 471

Таблица размеров стопорных колец DIN 471
| Параметры кольца | Номинальный диаметр, d1 | |||||||||||||||||||
| 3 | 4 | 5 | 6 | 7 | 8 | 9 | 10-11 | 12-17 | 18-26 | 28-30 | 32-35 | 36-48 | 50-63 | 65-82 | 85-100 | 105-120 | 125-200 | 210-250 | 260-300 | |
| Максимальная ширина, b | 0,8 | 0,9 | 1,1 | 1,3 | 1,4 | 1,5 | 1,7 | 1,8 | 2,3 | 3,1 | 3,5 | 3,9 | 5 | 6,2 | 7,4 | 9 | 10,2 | 14 | 14 | 16 |
| Высота кольца, s | 0,4 | 0,4 | 0,6 | 0,7 | 0,8 | 0,8 | 1 | 1 | 1 | 1,2 | 1,5 | 1,5 | 1,75 | 2 | 2,5 | 3 | 4 | 4 | 5 | 5 |
| Ширина кольца, a | 1,9 | 2,2 | 2,5 | 2,7 | 3,1 | 3,2 | 3,3 | 3,3 | 3,8 | 4,5 | 5 | 5,6 | 6,9 | 7,6 | 8,7 | 9,6 | 11 | 14,2 | 14,2 | 16,2 |
| Диаметр , d2 | 1 | 1 | 1 | 1,2 | 1,2 | 1,2 | 1,2 | 1,5 | 1,7 | 2 | 2 | 2,5 | 2,5 | 2,5 | 3 | 3,5 | 3,5 | 4 | 4 | 5 |
Все параметры в таблице указаны в мм.
Дополнительную информацию о технических характеристиках стопорного кольца DIN 471 можно получить у менеджеров компании.
Где купить стопорные кольца DIN 471 в Санкт-Петербурге?
Все позиции, представленные в разделе «Стопорные кольца DIN 471», можно заказать с доставкой на официальном сайте СТРОЙМЕТИЗ. После совершения онлайн-платежа мы быстро привезем Ваш заказ по нужному адресу.
Купить стопорные кольца для валов у нас могут частные лица и организации, оптом или в розницу. Мы работаем напрямую с отечественными производителями или официальными представителями зарубежных брендов. У нас широкий ассортимент и выгодные цены. Предлагаем удобные способы оплаты и доставку.
